產品介紹
產品型號:DHT343X/H/F/R
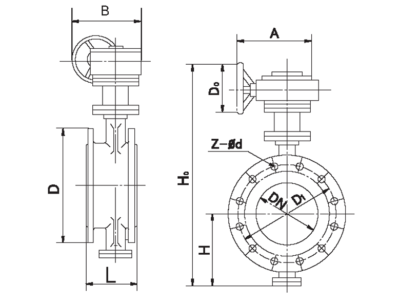
蝸輪傳動法蘭式偏心蝶閥用途
蝸輪傳動法蘭式偏心蝶閥采用精密的U形彈性密封圈和三偏心多層次金屬硬密封結構,被廣泛用于介質溫度≤425℃的治金、電力、石油、化工、食品、飲料、醫藥、等純凈管路及工業環保、水處理、高層建筑、以及給排水和市政建設等工業管道上,作調節流量和載斷流體使用。
蝸輪傳動法蘭式偏心蝶閥產品特點
1、硬密封蝶閥采用三偏心密封結構,閥座與蝶板幾乎無磨損,具有越觀越緊的密封功能
2、密封圈選用不銹鋼制作,具有金屬硬密封和彈性密封的雙重優點,無論在低溫和高溫的情況下,均具有優良的密封性能,具有耐腐蝕,使用壽命長等特點
3、蝶板密封面采用堆焊鈷基硬質合金,密封面耐磨損,使用壽命長
4、大規格蝶板采用絎架結構,強度高,過流面積大,流阻小
5、硬密封蝶閥具有雙向密封功能,安裝時不受介質流向的限制,也不受空間位置的影響,可在任何方向安裝
6、驅動裝置可以多工位(旋轉90°或180°)安裝,便于用戶使用




TEL:

E-mail us
PDF Download
Inquiry





